Das Plus und Das Lineal zusammen in DD-Gehäuse

  • Ne gute Freundin von mir spielt in einer Punkband, da brauch sie nicht alzu viele Sound.

    An Pedalen hat sie Das Plus und Das Lineal, beide lose vor sich auf dem Boden stehen.

    Sie hat 3 Sounds:
    1.) Clean - Beide Pedale aus
    2.) Verzerrt - Plus an, Lineal aus
    3.) Solo - Plus und Lineal an

    Soweit, sogut.
    Jetzt hat sie zwei grundlegende Probleme:
    1.) Die Pedale fliegen lose rum, was sich durch ein kleines Board lösen lassen würde.
    2.) Wenn sie nach dem von Solo- auf Cleansound wechseln möchte, dann muss sie immer beide Pedale sehr schnell hintereinander abschalten.

    Jetzt hatten wir die Idee, beide Pedale zusammen in ein DD-Gehäuse zu stecken.

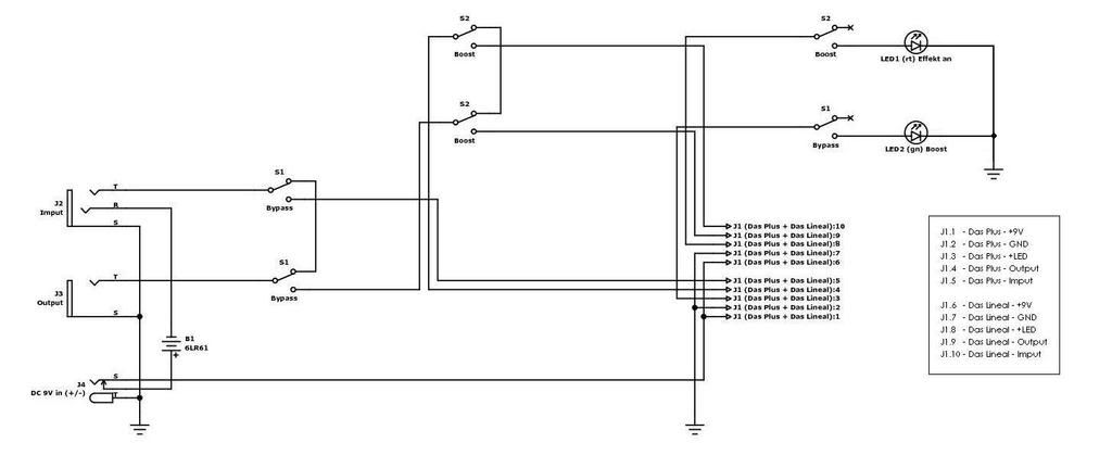
    Meine Idee zur Verdrahtung sieht so aus...
    [Blockierte Grafik: http://i156.photobucket.com/albums/t26/freaky-punk_photos/LinealPlus.jpg]

    Demnach gibt es einen Bypass-Schalter, der die komplette Kette beider Effekte in den TrueBypass setzt. Zusätzlich gibt es noch einen Bypass für das Lineal, so dass man es seperat zum Plus an- und ausschalten kann.
    In erste Linie geht es halt darum, dass das Lineal im nicht läuft, wenn das Plus im Bypass ist.

    Stimmt alles so oder habe ich nen Fehler drin?

    MfG atomic

    PS: Sollte man die Anschlussbelegung von J1 (10-Pin-Leiste rechts) nicht erkennen, hier noch mal alles zum nachlesen:

    Von oben nach unten.

    Die oberen 5 Pins: Das Lineal
    [SIZE="1"]Imput
    Output
    +LED
    GND
    +9V[/SIZE]

    Die unteren 5 Pins: Das Plus
    [SIZE="1"]Imput
    Output
    +LED
    GND
    +9V[/SIZE]

  • jup, hab auf die schnelle auch keinen fehler gefunden.

    das projekt ist also so was ( http://home.arcor.de/raphrav/Verzerrer.html ) in böse, wa? ;)
    bei meiner version (ok, ich hab auch einen anderen zerrer und booster genommen) hab ich aber außerdem noch einen switch drin, der die reihenfolge der beiden tauschen kann. sehr praktisch so was, auch wenn ich nicht die hand dafür ins feuer legen würde, dass das lineal den pegel der distortion bei vollgas aushält (ich weiß, warum ich was opampbasiertes reingeklopft habe ;))

    aso, und zur gehäusegröße: ich hab nicht ein D, sondern das größere JJ genommen und war froh drum: sonst hätte ich zwei poti-/schalterreihen gebraucht...

  • Zitat von raphrav;258773

    jup, hab auf die schnelle auch keinen fehler gefunden.

    das projekt ist also so was ( http://home.arcor.de/raphrav/Verzerrer.html ) in böse, wa? ;)
    bei meiner version (ok, ich hab auch einen anderen zerrer und booster genommen) hab ich aber außerdem noch einen switch drin, der die reihenfolge der beiden tauschen kann. sehr praktisch so was, auch wenn ich nicht die hand dafür ins feuer legen würde, dass das lineal den pegel der distortion bei vollgas aushält (ich weiß, warum ich was opampbasiertes reingeklopft habe ;))

    aso, und zur gehäusegröße: ich hab nicht ein D, sondern das größere JJ genommen und war froh drum: sonst hätte ich zwei poti-/schalterreihen gebraucht...

    Ok, also das mit dem Gehäuse sollte passen.
    Bisher stecken beide Treterchen jeweils in einem B-Gehäuse, habe mal grob ausgemessen, ich habe nämlich noch ein DD-Gehäuse hier.
    Auf 18,7cm Breite und 11,8cm Länge sollte genug Platz sein :)
    Desweiteren kommen ja nur zwei 3PDT und 3 Potis drauf, Schalter fürs Clipping sind nicht vorhanden.

    Von der Reihenfolge? Naja, exestiert jetzt schon einige Zeit im Dauerbetrieb so, das sollte also auch weiterhin keine Probleme geben denke ich.

    Zwischen Klinkenbuchsen mit Patchkabel und Drahtbrücken sollte nicht so der Unterschied sein *g*
    Vor allem klingts andersrum bei ihrem Amp nicht so toll, warum auch immer, aber ist einach so ;D

    Die Idee mit den Duo-LED hatte ich auch schon, wobei ich noch nicht genau weiß ob ich das verwirkliche. Da frage ich noch mal bei der Besitzerin nach, ob sie spezielle Wünsche hat.

  • ne, das war nur ein vorschlag. wenn die ursprüngliche reihenfolge ok ist, dann so bauen. ich konnte mich damals net entscheiden, wie rum ich es wollte, also kam das konstrukt rein.
    und mit den möglichen problemen (die sich so aber ja erst gar nicht ergeben) hat es folgendes auf sich: wenn du das lineal nach einem verzerrer hast, kann es sein, dass dessen ausgangspegel zu hoch für das lineal ist (das ist da ein bisschen empfindlich) und das dann verzerrt - und das mit der wärme und dem charme einer pa-anlage ;)
    aber wenn du eh das lineal immer vorm verzerrer hast, ist dieser mögliche einwand eh egal :)

  • Ja das Problem kenne ich von meiner eigenen Effektaufstellung, wenn zu viel vom Tube King kam dann krächste der Booster nur so vor sich hin. Vor allem in Kombi mit dem Wah gabs gerne Probleme. Anders ließ sich die Sache aber kaum Realisieren, da der Booster im Rack saß.

    Die Sorgen hab ich jetzt aber nicht mehr, weil ich nur noch 2 Treterchen habe..ist besser für den Überblick und für den Rücken *g*

    Bei der bwert5en Frau Kollegin gabs aber da noch nie Probleme :)

Jetzt mitmachen!

Sie haben noch kein Benutzerkonto auf unserer Seite? Registrieren Sie sich kostenlos und nehmen Sie an unserer Community teil!